Guľový ventil s motýľom, 3/4" MF závit vonkajší/vnútorný, PN40
Kód: STA 1018-3/4Súvisiaci tovar
Podrobný popis
Guľový ventil MF značky STA, s motýľom, PN40, certifikovaný na pitnú vodu: povrch prichádzajúci do kontaktu s pitnou vodou nie je poniklovaný.
Technické parametre:
Médium: voda, stlačený vzduch, 40% glykol
Materiál tela ventilu: kovaná mosadz CW617N
Povrchová úprava: pieskovanie a poniklovanie
Maximálny menovitý tlak (PN): 40 barov
Plnoprietokový.
Prevádzková teplota: -10°C - 120°C
Závity: MF – vonkajší/vnútorný.
Závity podľa normy: ISO 228/1.
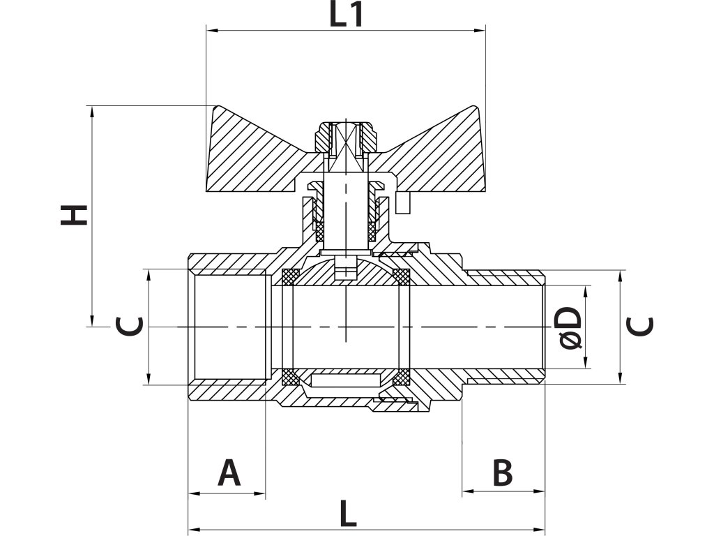
Popis guľového ventilu (viď obrázok):
Telo - mosadz
Sedlo gule - PTFE
Guľa - pochrómovaná
Matica motýľa - pochrómovaná
Matica drieku - mosadz - možnosť korekcie
Tesnenie drieku - PTFE
Driek – mosadz.
Rozmery (viď obrázok):
A: 14 mm
B: 15,5 mm
C: G 3/4"
D: 20 mm
H: 43 mm
L: 69 mm
L1: 50,5 mm.
Výrobca: STANDARD VALVE.
Dodatočné parametre
| Kategória: | Guľové ventily - otváranie a uzatváranie toku vody |
|---|---|
| EAN: | 8584060038255 |
Diskusia
Buďte prvý, kto napíše príspevok k tejto položke.




